Wechselstromphysik 9

 

Technische Anwendungen - Siebketten

 

Vorbemerkungen

 

Nach der Theorie geht es jetzt um die Praxis. Was kann man mit

unserem Wissen aus den ersten acht Kapiteln anfangen. Es geht vor

allem darum bei elektronischen Verschaltungen Störfrequenzen her-

auszufiltern und nur die gewünschten Frequenzen durchzulassen.

Meist werden RC−Schaltungen benutzt, weil eine Spule beim Aus-

schalten sehr hohe Selbstinduktionsspannungen erzeugen kann, die

zur Zerstörung von Bauelementen führen können.

RC bedeutet, dass ein Ohmscher Widerstand R mit einem Kondensa-

tor C kombiniert wird. Je nachdem, wo man jetzt die Ausgangsspan-

nung UA abgreift, gibt es einen Tiefpass oder einen Hochpass. Ein

Tiefpass bedeutet, dass nur tiefe bzw. niedrige Frequenzen durchge-

lassen werden, während hohe Frequenzen gesperrt werden. Beim

Hochpass ist es entsprechend umgekehrt.

 

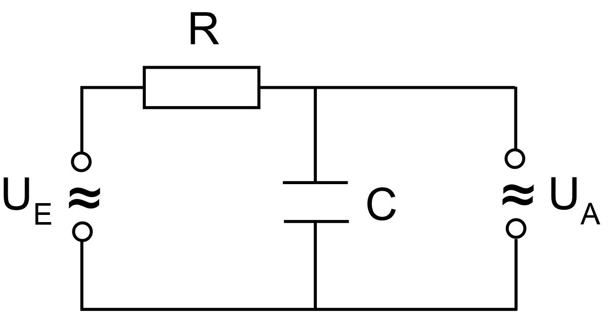
Aufbau Tiefpass

 

Ein typischer Aufbau besteht aus einem Ohmschen Widerstand und

einem Kondensator, wobei die Ausgangsspannung (oder Abgangs-

spannung) am Kondensator abgegriffen wird.

Man hat also folgendes Aussehen

 

 

Es wird also eine Spannung UE (Eingangsspannung) zugeführt, die

dann als Ausgangsspannung UA für einen Arbeitsstromkreis zur Ver-

fügung gestellt wird.

In Diagrammen wird häufig das Verhältnis zwischen UA zu UE darge-

stellt, weil man hieraus gut ablesen kann, wieviel der Eingangsspan-

nung wirklich als Ausgangsspannung zur Verfügung steht.

 

Berechnung des Verhältnissen UA zu UE

Wir knüpfen an das Kapitel 6 an.

 

Diagramm−Grenzfrequenz

Das Diagramm hierzu sieht folgendermaßen aus.

(Vorgabe: R = 120 kΩ, C = 10000 pF)

 

Erklärung:

Man sieht, dass zunächst für kleine Frequenzen der Wert UA  / UE  im

Bereich von 1 liegt. Für kleine Frequenzen entspricht die Abgangs-

spannung der Eingangsspannung. Der Kondensator hat einen extrem

hohen Widerstand, so dass praktisch die gesamte Eingangsspannung

hieran abfällt. Je größer f wird, umso geringer ist die Impedanz, d.h.

umso geringer wird UC = UA.

Irgendwann teilt sich UE gleichmäßig auf R und C auf, d.h. UR = UC.

Die Frequenz, bei der dies der Fall ist, wird Grenzfrequenz genannt.

Da UR = UC in der Reihenschaltung ( I überall gleich) bedeutet, dass

die Widerstände gleich groß sind, d.h. R = XC wird dies häufig zur

Definition der Grenzfrequenz benutzt.

 

 

Def.: Grenzfrequenz fg

Die Grenzfrequenz fg liegt vor, wenn die Impedanz X

dem Ohmschen Widerstand entspricht, d.h.

R = X

 

 

Grenzfrequenz für obiges Beispiel (RC−Tiefpass):

Wählen wir das obige Beispiel (R=120 kΩ, C = 10000 pF) ergibt sich

für die Grenzfrequenz fg = 133 Hz, welche im Diagramm grün einge-

tragen ist.

Der Bereich links von fg wird Durchlassbereich, der Bereich rechts

davon Sperrbereich genannt.

Bei der Grenzfrequenz ergibt sich ein Verhältnis von UA zu UE von

0.707, wie man in folgender Berechnung sieht.

Dies ist auch im Diagramm noch einmal eingetragen.

 

Anwendungen

Überall wo man hohe Störfrequenzen vermeiden will, kann man den

Tiefpass anwenden.

Beim induktiven Laden wird neben dem eigentlichen Glättungskon-

densator noch ein Tiefpass benutzt, um die letzten Brummfrequenzen

zu entfernen (LINK).

Im Akustikbereich werden Frequenzweichen benutzt, um die ent-

sprechenden Frequenzen den zugehörigen Lautsprecherboxen

(Bass-, Hochtöner) zuzuführen.

Hochfrequenzrauschen und unerwünschte Oberschwingungen kön-

nen aus elektronischen Verschaltungen herausgefiltert werden.

 

Aufbau Hochpass

Da natürlich zwischen der Spannung am Kondensator und der Span-

nung am Widerstand ein quadratischer Zusammenhang besteht,

muss ein Tiefpass einfach nur durch einen geänderten Abgriff, nämlich

am Widerstand zu einem Hochpass werden. Wenn bei niedrigen

Frequenzen die Spannung am Kondensator hoch ist, muss sie gleich-

zeitig am Widerstand klein sein. Es gilt ja: (UE)2 = (UR)2 + (UC)2

Die Spannungen beeinflussen sich also gegenseitig.

Wir greifen also beim Hochpass einfach die Abgangsspannung am

Widerstand R ab.

Wir haben also folgenden Aufbau.

 

 

Das Verhältnis zwischen UR zu UE lässt sich entsprechend dem

Tiefpass bestimmen.

Das Diagramm hierzu sieht folgendermaßen aus.

(Vorgabe: R = 120 kΩ, C = 10000 pF

Einen solchen Aufbau kann man dazu benutzen, eine Trennung von

Gleichspannung und Wechselspannung vorzunehmen. Da die Gleich-

spannung nicht durchgelassen wird, gelangt nur die Wechselspan-

nung zum Arbeitstromkreis.

Dies könnte folgendermaßen aussehen.

Eingangsspannung:

 

Ausgangsspannung

 

 

 

zurück zum Kapitel (Gleichstromkreis):

 

 

zu weiteren Kapiteln der Wechselstromphysik:

 

 

zurück zur Übersicht „Induktion“

zurück zur Übersicht „Felder“

zurück zur Übersicht „Wechselstromphysik“