gehe zu:

 

Wechselstromphysik 10

 

Technische Anwendungen: Resonanz:

 1.Mittelpass − 2.Bandsperre

 

Vorbemerkungen

 

Wir kommen in diesem Kapiteln zurück zu den komplexen Fällen von

RCL−Kreisen sowohl in Reihen− als auch in Parallelschaltung. Es

handelt sich um erzwungene Schwingungen, da noch eine Außen-

quelle vorliegt.

Im Gegensatz zu Kapitel 9 (Tief− und Hochpass) wird hier nicht ein

ganz breiter Frequenzbereich ausgesperrt, sondern es geht nur um

einen begrenzten Frequenzbereich. Man kombiniert sozusagen

den Tiefpass mit dem Hochpass und erhält dann mittig einen schma-

len Frequenzbereich, in dem die Stromstärke besonders hoch bzw.

niedrig ist. Diese Frequenz nennt man Resonanzfrequenz und den

Bereich „Resonanz“. Wir werden hierauf noch im Detail bei dem freien

Schwingkreis (ohne Außenquelle) eingehen.

 

1. RCL−Reihe: Mittelpass

Wir wiederholen kurz noch einmal die wichtigste Formel zur RCL-

Reihenschaltung. Dies ist die Formel zur Impedanz.

 

 

Impedanz RCL−Reihenschaltung

Für die Reihenschaltung von R, C und L berechnet sich

die Impedanz X mit der Formel

mit

R = Ohmscher Widerstand

C = Kapazität des Kondensators

L = Induktivität der Spule

ω = 2 ∙π ∙ f

f = Frequenz des Wechselstroms

 

 

Schauen wir uns einmal die Impedanz in Abhängigkeit von der

Frequenz der äußeren Spannungsquelle an.

(Phywe-Spule: n = 1200, L = 35 mH; C = 1 µF, R = 12 Ω)

 

 

Man erkennt sofort, dass die Impedanz von der Frequenz abhängt.

Dies ist natürlich klar, weil die Impedanz von Kondensator und Spule

frequenzabhängig ist. Bei niedrigen Frequenzen hat der Konden-

sator einen hohen Widerstand. Bei hohen Frequenzen liegt der

Spulenwiderstand hoch. Dazwischen gibt es einen Bereich mit einem

besonders geringem Widerstand. Hier liegt nur noch der Ohmsche

Widerstand vor. Die Impedanzen von Kondensator und Spule heben

sich gegenseitig auf. Man spricht dann vom Resonanzfall, weil hier

die Stromstärke im Stromkreis besonders groß ist.

 

Berechnung der Resonanzfrequenz

Wenn man sich die Formel für die Impedanz ansieht, erhält man den

niedrigsten Wert (also Resonanz), wenn XC = XL ist, weil dann das

Quadrat aus der Klammer den Wert Null hat. Somit bleibt dann X=R

übrig.

Es gilt also

 

 

Man spricht von der Resonanzfrequenz oder Thomsonschen

Schwingungsformel.

(Hinweis: dieser Formel werden wir bei den freien Schwingungen noch einmal begegnen)

Für unser obiges Beispiel erhält man für fR = 850,7 Hz, was mit dem

Graphen übereinstimmt.

 

Verhalten der Spannungen

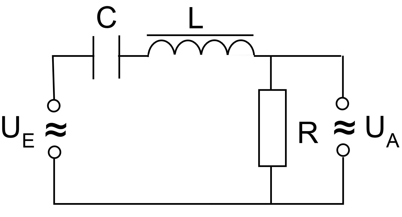
Gehen wir einmal so vor, wie bei Hoch- und Tiefpass (s. Kapitel 9).

Zunächst die Schaltskizze. Wir wollen die Abgangsspannung am

Widerstand R abgreifen.

 

Für das Verhältnis zwischen UA zu UE ergibt sich.

 

Der funktionelle Zusammenhang anhand unseres Beispiels (s.o.)

sieht dann folgendermaßen aus.

 

Man sieht, dass am Anfang und Ende wenig Spannung übertragen

werden kann. Erst in der Mitte findet eine vollständige Übertragung

statt. Deshalb könnte man hier von einem „Mittelpass“ in Analogie

zu Hoch- und Tiefpass sprechen, da mittlere Frequenzen durch-

gelassen werden. Die übliche Benennung ist aber Saugkreis oder

Bandpass.

Begründung für den Verlauf:

Bei geringen Frequenzen liegt beim Kondensator ein großer Wider-

stand vor. Es fließt nur eine geringe Stromstärke, damit ist die Span-

nung an R gering.

Bei hohen Frequenzen weist die Spule einen hohen Widerstand auf,

also ist auch hier die Stromstärke und damit die Spannung UR gering.

Dazwischen gibt es allerdings eine Frequenz, bei der sich die Im-

pedanzen genau aufheben. Dann spielt nur noch R eine Rolle und

die Stromstärke ist sehr hoch und somit auch UR. UR entspricht dann

U0. Die Spannungen von Spule und Kondensator heben sich übrigens

in diesem Fall gerade genau auf, da sie um 180° versetzt zueinander

sind (s. Zeigerdiagramm Kap.6).

 

Beispielrechnung

Vorgaben: R = 12 Ω, L = 35 mH; C = 1 µF, R = 12 Ω ; U0 = Umax = 10 V

1. Fall: Resonanzfrequenz (fR = 850,7 Hz)

XC = 1/(ω∙C) = 187,1Ω = ω∙L = XL → XG = 12 Ω (s.o. Formel)

IG = U0/XG = 10 V / 12 Ω = 0,83 A

→ UR = IG ∙ 12 Ω = 10 V → UA/UE = UR/U0 = 1 (s. Diagramm)

2. Fall: ( f = 600 Hz)

XC = 1/(ω∙C) = 265,3 Ω ≠ 131,9 Ω = ω∙L = XL → XG = 133,9 Ω

IG = U0/XG = 0,075 A

UR = IG ∙ 12 Ω = 0,9 V → UA/UE = UR/U0 = 0,09 passt zum Diagramm

Kondensator bestimmt, was passiert → kapazitiver Bereich

3. Fall: (f = 1000 Hz)

XC = 1/(ω∙C) = 159,2 Ω ≠ 219,9 Ω = ω∙L = XL → XG = 61,9 Ω

IG = U0/XG = 0,16 A

UR = IG∙12 Ω = 1,92 V → UA/UE = UR/U0 = 0,192 passt zum Diagramm

Spule bestimmt, was passiert → induktiver Bereich

 

Anwendungen

Je nachdem, wie man den Resonanzkreis an einen Schaltkreis

anschließt, kann er Frequenzen um fR durchlassen (Bandpass,

Mittelpass) oder Frequenzen um fR herausfiltern (Ableiten zur Erde,

Saugkreis). Dies findet vor allem bei Frequenzweichen von Laut-

sprecherboxen Verwendung.

Man kann aber auch Hochspannungen abgreifen, weil an Spule und

Kondensator deutlich höhere Spannungen auftreten können als an

der Eingangsspannung.

 

Zum Nachrechnen nehmen wir auch noch einmal das obige Beispiel.

(Annahme: U0 = UE = Maximalwert der Eingangsspannung = 10 V)

fR = 850,7 Hz, C = 1 µF, L = 35 mH, R = 12 Ω

→ I0 = UR/R = UE/R = 10 V / 12 Ω = 0,83 A

UC = UL = I0 ∙ ω ∙ L = 0,83 A ∙ 2 ∙ π ∙ 850,7 Hz ∙ 0,035 H = 155,3 V =

15,53 mal U0 → U0 wird also deutlich erhöht!

 

2. Sperrkreis oder Bandsperre

Wir wiederholen auch hier zunächst die Formel für die Impedanz im

RCL−Parallelkreis.

Es gilt:

 

 

Impedanz RCL−Parallelschaltung

Für die Parallelschaltung von R, C und L berechnet sich

die Impedanz X mit der Formel

mit

R = Ohmscher Widerstand

C = Kapazität des Kondensators

L = Induktivität der Spule

ω = 2 ∙π ∙ f

f = Frequenz des Wechselstroms

 

 

Auch hier zunächst ein Diagramm, welches die Impedanz in Ab-

hängigkeit von der Frequenz zeigt.

(R = 12 Ω, C = 50 µF, L = 1 mH)

 

 

Auch hier hängt die Impedanz von der Frequenz ab. Hier ist aller-

dings die Impedanz bei der Resonanzfrequenz am größten und ent-

spricht dem Ohmschen Widerstand.

Da ω bei L im Nenner steht, wird dieser Bruch bei kleinen Frequenzen

sehr groß und spielt zunächst eine große Rolle (induktiver Bereich).

Bei hohen Frequenzen kommt das ω bei C zum Tragen. Für große

Frequenzen sind wird daher im kapazitiven Bereich.

In der Mitte gibt es eine Frequenz, bei der die Klammer mit C und L

Null wird, dann trifft nur noch R zu, X erhält dann der Wert R.

Der Ansatz 1/XL = 1/XC , also 1/(ω∙L) = ω∙C führt zu derselben

Formel für die Resonanzfrequenz wie bei der Reihenschaltung. Es

gilt auch hier die Thomsonsche Schwingungsformel.

Im konkreten Beispiel erhält man fR = 711,7 Hz, was im obigen Dia-

gramm eingetragen wurde.

 

Verhalten der Stromstärke

Die Schaltskizze hat hier folgenden Aussehen.

 

 

Im Gegensatz zur Reihenschaltung macht es bei der Parallel-

schaltung keinen Sinn sich die Spannung anzusehen, da diese ja

überall gleich groß ist.

Wir werden uns also hier das Verhältnis der Stromstärken betrachten

und wie im Kapitel. 7 vorgehen.

 

 

Sehen wir uns einmal das zugehörige Diagramm IG/IR für das obige

Beispiel an ( R = 12 Ω, L = 1 mH, C = 50 µF).

 

 

Erläuterung:

Nach dem Diagramm für die Impedanz ergibt sich sofort, dass bei der

Resonanzfrequenz natürlich die geringste Stromstärke im Stromkreis

vorliegen muss. Der Strom fließt dann nur durch den Ohmschen

Widerstand. Bei niedrigeren oder höheren Frequenzen kommt auch

der Strom durch die Spule bzw. den Kondensator zum Tragen.

Bei niedrigen Frequenzen wird der induktive Teil in der Formel sehr

groß. Es fließt ein großer Strom durch die Spule. Bei hohen Fre-

quenzen hat man einen hohen Stromfluss durch den Kondensator.

Bei der Resonanzfrequenz heben sich die Ströme durch Spule und

Kondensator gegenseitig auf, da sie um 180° verschoben sind.

Es zählt nur noch der Strom durch R.

Bei der Resonanzfrequenz sperrt also der Parallelkreis. Daher wird er

auch Sperrkreis oder Bandsperre genannt.

 

Beispielrechnung

Vorgaben: R = 12 Ω, L = 1 mH, C = 50 µF, U0 = Umax = 10 V

1. Fall: Resonanzfrequenz (fR = 711,7 Hz)

XC = 1/(ω∙C) = 4,47 Ω = ω∙L = XL

U0 = UC = UL = UR = 10 V

IC = Uc ∙ ω ∙ C = 2,24 A = UL/(ω∙L) = IL = Maximalwert der Stromstärke,

aber der Verlauf um 180° verschoben, also heben sich beide auf.

IR = UR/R =0,8333 A

2. Fall (f = 200 Hz)

XC = 15,9 Ω; XL = 1,3 Ω; IC = 0,63 A, IL = 7,69 A, IR = 0,83 A

IG = 7,1 A (s.o.: Quadratgleichung) → IG/IR = 8,6 passt zum Diagramm,

Spule bestimmt, was passiert → induktiver Bereich

3. Fall ( f = 1400 Hz)

XC = 2,27 Ω; XL = 8,80 Ω; IC = 4,41 A, IL = 1,14 A, IR = 0,83 A

IG = 3,37 A → IG/IR = 4,1 passt → kapazitiver Bereich

 

  gehe zu:

 

 

zurück zum Kapitel (Gleichstromkreis):

 

 

 

 

zu weiteren Kapiteln der Wechselstromphysik:

 

 

 

zurück zur Übersicht „Induktion“

zurück zur Übersicht „Felder“

zurück zur Übersicht „Wechselstromphysik“